
產品名稱:DA71F/P襯氟蝶閥
產品標簽:蝶閥,襯氟蝶閥
更新時間:2019/5/31 8:55:21
上一個產品: Dt343H多層次金屬硬密封蝶閥
下一個產品:D(3.6.9)73H對夾式硬密封蝶閥
在線訂購:在線訂購
產品詳情
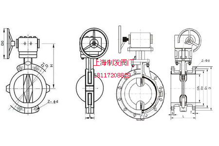
手 |
DA71F/P 半襯 |
蝸 |
DA371F/P 半襯 |
DA71F3 全襯里 |
DA371F3 全襯里 |
||
DA71F4 全襯里 |
DA371F4 全襯里 |
||
DA71F46 全襯里 |
DA371F46 全襯里 |
||
氣 |
DA671F/P 半襯 |
電 |
DA971F/P 半襯 |
DA671F3 全襯里 |
DA971F3 全襯里 |
||
DA671F4 全襯里 |
DA971F4 全襯里 |
||
DA671F46 全襯里 |
DA971F46 全襯里 |
設計標準 |
GB12238 |
結構長度 |
GB12221 |
法蘭標準 |
JB/T79-94 |
GB9113.1-26 |
|
檢驗試驗 |
GB/T13927 |
驅動方式 |
蝸輪、手動、電動、氣動 |
零件名稱 |
材料 |
上下閥體 |
鑄鐵、鑄鋼、不銹鋼、襯F46、F3 |
閥座 |
鑄鋼 |
帶桿蝶板 |
鑄鋼、不銹鋼、襯F46、F3 |
填料 |
F4 |
襯墊 |
硅橡膠 |
蝸輪手柄 |
球墨鑄鐵 |
公稱通徑 |
PN1.0(MPa)主要外形尺寸和連接尺寸(mm) |
PN1.6(MPa) |
重量 |
|||||||||
DN |
L |
D |
D1 |
D2 |
f |
Z-φd |
H2 |
H1 |
D |
D1 |
Z-φd |
kg |
40 |
33 |
145 |
110 |
85 |
3 |
4-φ18 |
270 |
80 |
145 |
110 |
4-φ18 |
4 |
50 |
43 |
160 |
125 |
100 |
3 |
4-φ18 |
280 |
85 |
160 |
125 |
4-φ18 |
5 |
65 |
46 |
180 |
145 |
120 |
3 |
4-φ18 |
290 |
93 |
180 |
145 |
4-φ18 |
7 |
80 |
46 |
195 |
160 |
140 |
3 |
4-φ18 |
310 |
100 |
195 |
160 |
8-φ18 |
9 |
100 |
52 |
215 |
180 |
155 |
3 |
8-φ18 |
340 |
110 |
215 |
180 |
8-φ18 |
13 |
125 |
56 |
245 |
210 |
185 |
3 |
8-φ18 |
355 |
120 |
245 |
210 |
8-φ18 |
15 |
150 |
56 |
280 |
240 |
210 |
3.5 |
8-φ23 |
380 |
160 |
280 |
240 |
8-φ23 |
24 |
200 |
60 |
335 |
295 |
265 |
3.5 |
8-φ23 |
430 |
245 |
335 |
295 |
12-φ23 |
38 |
250 |
68 |
390 |
350 |
320 |
4 |
12-φ23 |
450 |
260 |
405 |
355 |
12-φ26 |
60 |
300 |
78 |
440 |
400 |
370 |
4 |
12-φ23 |
480 |
300 |
460 |
410 |
12-φ26 |
70 |
350 |
78 |
500 |
460 |
420 |
4 |
16-φ23 |
600 |
320 |
520 |
470 |
16-φ26 |
80 |
400 |
102 |
565 |
515 |
475 |
4.5 |
16-φ25 |
630 |
330 |
580 |
525 |
16-φ30 |
120 |
450 |
114 |
615 |
565 |
525 |
4.5 |
20-φ25 |
655 |
380 |
640 |
585 |
20-φ30 |
165 |
500 |
127 |
670 |
620 |
580 |
5 |
20-φ25 |
680 |
390 |
715 |
650 |
20-φ33 |
205 |
600 |
154 |
780 |
725 |
690 |
5 |
20-φ30 |
730 |
450 |
840 |
770 |
20-φ36 |
250 |
700 |
165 |
895 |
840 |
800 |
5 |
24-φ30 |
790 |
480 |
910 |
840 |
24-φ36 |
320 |
800 |
190 |
1010 |
950 |
905 |
5 |
24-φ34 |
880 |
580 |
1020 |
950 |
24-φ39 |
395 |
900 |
203 |
1110 |
1050 |
1005 |
5 |
28-φ34 |
930 |
625 |
1120 |
1050 |
28-φ39 |
450 |
1000 |
216 |
1220 |
1160 |
1115 |
6 |
28-φ34 |
1000 |
660 |
1255 |
1170 |
28-φ42 |
600 |
1200 |
254 |
1450 |
1380 |
1325 |
6 |
32-φ41 |
1300 |
780 |
1485 |
1390 |
32-φ48 |
825 |
公稱通徑 |
標準值 |
參考值 |
|||||||||||
DN(mm) |
NPS(inch) |
L |
D |
D1 |
D2 |
f |
b |
Z-Φd |
W |
Do |
H |
WT(Kg) |
|
PN1.0MPa |
|||||||||||||
40 |
11/2 |
106 |
145 |
110 |
85 |
3 |
18 |
4-Φ18 |
160 |
|
140 |
10 |
|
50 |
2 |
108 |
160 |
125 |
100 |
3 |
20 |
4-Φ18 |
200 |
|
160 |
12 |
|
65 |
11/2 |
112 |
180 |
145 |
120 |
3 |
20 |
4-Φ18 |
250 |
|
165 |
14 |
|
80 |
3 |
114 |
195 |
160 |
135 |
3 |
22 |
4-Φ18 |
250 |
|
170 |
16 |
|
100 |
4 |
127 |
215 |
180 |
155 |
3 |
22 |
8-Φ18 |
300 |
|
180 |
18 |
|
125 |
5 |
140 |
245 |
210 |
185 |
3 |
24 |
8-Φ18 |
300 |
|
275 |
20 |
|
150 |
6 |
140 |
280 |
240 |
210 |
3 |
24 |
8-Φ23 |
|
200 |
295 |
38 |
|
200 |
8 |
152 |
335 |
295 |
265 |
3 |
26 |
8-Φ23 |
|
200 |
320 |
74 |
|
250 |
10 |
250 |
390 |
350 |
320 |
3 |
28 |
12-Φ23 |
|
240 |
385 |
105 |
|
300 |
12 |
270 |
440 |
400 |
368 |
3 |
28 |
12-Φ23 |
|
240 |
390 |
142 |
|
350 |
14 |
290 |
500 |
460 |
428 |
4 |
30 |
16-Φ23 |
|
240 |
460 |
179 |
|
400 |
16 |
310 |
565 |
515 |
482 |
4 |
32 |
16-Φ25 |
|
280 |
510 |
220 |
|
450 |
18 |
330 |
615 |
565 |
532 |
4 |
32 |
20-Φ25 |
|
280 |
540 |
268 |
|
500 |
20 |
350 |
380 |
620 |
585 |
4 |
34 |
20-Φ25 |
|
320 |
570 |
378 |
|
600 |
24 |
390 |
780 |
725 |
685 |
4 |
36 |
20-Φ30 |
|
320 |
660 |
608 |
|
700 |
28 |
430 |
895 |
840 |
800 |
5 |
40 |
24-Φ30 |
|
360 |
710 |
1050 |
|
800 |
32 |
470 |
1010 |
950 |
905 |
5 |
44 |
24-Φ34 |
|
360 |
780 |
1320 |
|
900 |
36 |
510 |
1110 |
1050 |
1005 |
5 |
46 |
28-Φ34 |
|
380 |
885 |
1795 |
|
1000 |
40 |
550 |
1220 |
1160 |
1115 |
5 |
50 |
28-Φ34 |
|
400 |
990 |
1900 |
|
PN1.6MPa |
|||||||||||||
40 |
11/2 |
106 |
145 |
110 |
85 |
3 |
18 |
4-Φ18 |
200 |
|
140 |
10 |
|
50 |
2 |
108 |
160 |
125 |
100 |
3 |
20 |
4-Φ48 |
200 |
|
160 |
12 |
|
65 |
11/2 |
112 |
180 |
145 |
120 |
3 |
20 |
4-Φ18 |
250 |
|
165 |
13 |
|
80 |
3 |
114 |
195 |
160 |
135 |
3 |
22 |
8-Φ18 |
250 |
|
170 |
14 |
|
100 |
4 |
127 |
215 |
180 |
155 |
3 |
24 |
8-Φ18 |
300 |
|
180 |
16 |
|
125 |
5 |
140 |
245 |
210 |
185 |
3 |
26 |
8-Φ18 |
300 |
|
275 |
18 |
|
150 |
6 |
140 |
280 |
240 |
210 |
3 |
28 |
8-Φ23 |
|
200 |
295 |
42 |
|
200 |
8 |
152 |
335 |
295 |
265 |
3 |
30 |
12-Φ23 |
|
200 |
320 |
78 |
|
250 |
10 |
250 |
405 |
355 |
320 |
3 |
32 |
12-Φ25 |
|
240 |
385 |
120 |
|
300 |
12 |
270 |
460 |
410 |
375 |
4 |
34 |
12-Φ25 |
|
240 |
390 |
145 |
|
350 |
14 |
290 |
520 |
470 |
435 |
4 |
38 |
16-Φ25 |
|
240 |
460 |
202 |
|
400 |
16 |
310 |
580 |
525 |
485 |
4 |
40 |
16-Φ30 |
|
280 |
510 |
235 |
|
450 |
18 |
330 |
640 |
585 |
545 |
4 |
44 |
20-Φ30 |
|
280 |
540 |
368 |
|
500 |
20 |
350 |
705 |
650 |
608 |
4 |
46 |
20-Φ34 |
|
320 |
570 |
420 |
|
600 |
24 |
390 |
840 |
770 |
718 |
5 |
54 |
24-Φ41 |
|
320 |
660 |
750 |
|
700 |
28 |
430 |
910 |
840 |
788 |
5 |
54 |
24-Φ41 |
|
360 |
710 |
1028 |
|
800 |
32 |
470 |
1020 |
950 |
898 |
5 |
54 |
24-Φ41 |
|
380 |
780 |
1690 |
|
900 |
36 |
510 |
1120 |
1050 |
998 |
5 |
54 |
28-Φ41 |
|
400 |
885 |
1815 |
|
1000 |
40 |
550 |
1255 |
1170 |
1110 |
5 |
60 |
28-Φ48 |
|
500 |
990 |
2050 |
|
PN2.5MPa |
|||||||||||||
40 |
11/2 |
106 |
145 |
85 |
3 |
18 |
4-Φ18 |
200 |
|
140 |
11 |
||
50 |
2 |
108 |
160 |
100 |
3 |
20 |
4-Φ18 |
200 |
|
160 |
13 |
||
65 |
11/2 |
112 |
180 |
120 |
3 |
22 |
8-Φ18 |
250 |
|
165 |
14 |
||
80 |
3 |
114 |
195 |
135 |
3 |
22 |
8-Φ18 |
250 |
|
170 |
16 |
||
100 |
4 |
127 |
230 |
160 |
3 |
24 |
8-Φ23 |
300 |
|
180 |
18 |
||
125 |
5 |
140 |
270 |
188 |
3 |
28 |
8-Φ25 |
300 |
|
275 |
20 |
||
150 |
6 |
140 |
300 |
218 |
3 |
30 |
8-Φ25 |
|
240 |
295 |
48 |
||
200 |
8 |
152 |
360 |
278 |
3 |
34 |
12-Φ25 |
|
240 |
320 |
88 |
||
250 |
10 |
250 |
425 |
332 |
3 |
36 |
12-Φ30 |
|
280 |
385 |
145 |
||
300 |
12 |
270 |
485 |
390 |
4 |
40 |
16-Φ30 |
|
280 |
390 |
157 |
||
350 |
14 |
290 |
550 |
448 |
4 |
44 |
16-Φ34 |
|
320 |
460 |
222 |
||
400 |
16 |
310 |
610 |
505 |
4 |
48 |
16-Φ34 |
|
320 |
510 |
353 |
||
450 |
18 |
330 |
660 |
555 |
4 |
50 |
20-Φ34 |
|
360 |
540 |
405 |
||
500 |
20 |
350 |
730 |
610 |
4 |
52 |
20-Φ41 |
|
360 |
570 |
448 |
||
600 |
24 |
390 |
840 |
718 |
5 |
56 |
20-Φ41 |
|
380 |
660 |
795 |
||
![]() |





