
產品名稱:Q11F三片式高平臺球閥
產品標簽:球閥,三片式高平臺球閥
更新時間:2019/6/3 8:29:57
上一個產品: Q11F兩片式高平臺球閥
下一個產品:Q11F手動螺紋球閥
在線訂購:在線訂購
產品詳情
Q11F三片式高平臺球閥產品概述:
Q11F手動內螺紋球閥(一片式球閥、二片式球閥、三片式球閥)閥體鑄造采用臺灣引進的先進工藝,結構合理、造型美觀。手動內螺紋球閥座采用彈性密封結構,密封可靠,啟閉輕松。 閥桿采用有倒密封的下裝式結構,閥腔異常升壓時,閥桿不會被沖出。二片式球閥、三片式球閥連接形式另有對焊(BW)承插焊(SW),并均可帶國際標準ISO支架平臺和鎖定裝置。內螺紋球閥可設置90°開關定位機構,根據需要加鎖以防止誤操作,驅動方式:手動、電動、氣動。
手動內螺紋球閥主要用途如下
手動內螺紋球閥(一片式球閥、二片式球閥、三片式球閥)適用于PN1.0~4.0MPa,工作溫度-29~180℃(密封圈為增強聚四氟乙烯)或-29~300℃(密封圈為對位聚苯)的各種管路上,用于截斷或接通管路中的介質。 選用不同的材質,可分別適用于水、蒸汽、油品、硝酸、醋酸等多種介質。
1、連接形式:內螺紋
2、公稱通徑:1/2”~4”。
3、適用介質:水,油,蒸汽,碳酸,硝酸。
4、壓力范圍:1000WOG。
5、啟閉力N:400~500。
6、適用溫度:-40~200(°C)
7、主體材料:不銹鋼304/316。
8、設計生產采用標準:JB、ISO、API、GB、BS等標準設計生產, 其安全性和質量性都經過嚴格處理發放國內外市場。
Q11F三片式高平臺球閥制造標準依照
1、《通用閥門法蘭和對焊連接鋼制球閥》GB/T12237-89
2、《鐵制和銅制球閥》GB/T 15185-1994
3、《鋼制閥門 一般要求》GB/T 12224-2005
4、《生活飲用水輸配水設備及防護材料的安全性評價標準》 GB/T 17219-1998
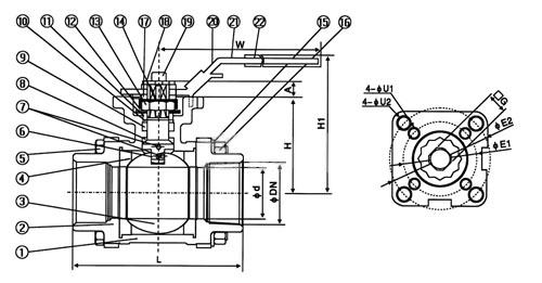
Q11F三片式高平臺球閥零件材料
|
序號NO |
零件名稱 |
材質 |
|
1 |
密封圈 |
聚四氟乙烯PTFE |
|
2 |
球體 |
不銹鋼SS316 |
|
3 |
密封墊 |
聚四氟乙烯PTFE |
|
4 |
閥蓋 |
不銹鋼SS316 |
|
5 |
閥體 |
不銹鋼CF8M |
|
6 |
閥桿 |
不銹鋼SS316 |
|
7 |
止推墊圈 |
聚四氟乙烯PTFE |
|
8 |
填料 |
聚四氟乙烯PTFE |
|
9 |
填料壓蓋螺母 |
不銹鋼SS304 |
|
10 |
墊圈 |
不銹鋼SS304 |
|
11 |
閥桿螺母 |
不銹鋼SS304 |
|
12 |
手柄套 |
塑料 |
|
13 |
手柄 |
不銹鋼SS304 |
Q11F三片式高平臺球閥連接尺寸
|
SIZE |
1/4" |
3/8" |
1/2" |
3/4" |
1" |
11/4" |
11/2" |
2" |
21/2" |
3" |
4" |
|
D |
11.6 |
12.7 |
15 |
20 |
25 |
32 |
38 |
50 |
65 |
80 |
100 |
|
L |
68 |
68 |
72 |
85 |
90 |
112 |
120 |
145 |
185 |
210 |
268 |
|
H |
100 |
100 |
130 |
130 |
165 |
165 |
190 |
190 |
250 |
250 |
280 |
|
E |
100 |
100 |
130 |
130 |
165 |
165 |
190 |
190 |
250 |
250 |
280 |
|
重量WT(g) |
400 |
405 |
640 |
890 |
1160 |
2195 |
2940 |
4865 |
7000 |
10700 |
19350 |
注:以上的產品介紹,參數,圖片,數據僅用于參考,如果需更準確的資料請咨詢公司技術服務熱線:18117208829




